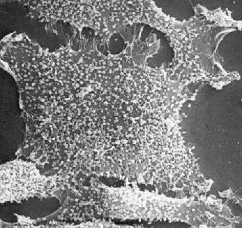
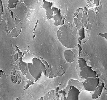
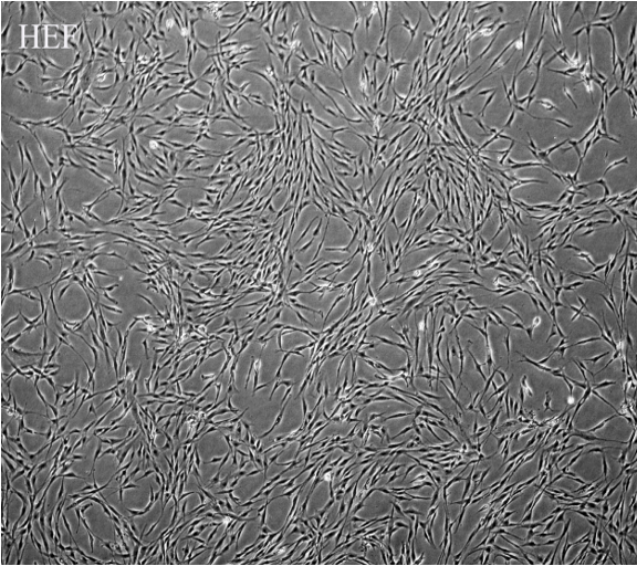
在培养细胞时,我们通常是没有一个完美的参照物去对比每种细胞形态是否正常,只能根据细胞的三种基本形态去辅助判断。但由于培养细胞环境各不相同,很多老师同学也无法判断出自己的细胞形态是否正常,也会影响接下来的实验。 今天我们小编将与大家一起对这个问题进行探讨~ 细胞的基本形态 大多数培养的哺乳动物细胞根据其形态可以分为三大类: △成纤维细胞(成纤维细胞样) △上皮细胞 △淋巴细胞 △HEF胎儿包皮成纤维细胞 △huh7人肝癌细胞 △病前 △病后 小鼠单核巨噬细胞白血病细胞(永生)Raw264.7 这个时候大家肯定很想知道是什么原因导致的,一般形态异常首先考虑的就是污染原因。 污染又大致分为以下几点:细菌污染、真菌污染、支原体污染、黑胶虫污染。那么这几种污染是如何区分的呢? 特征: 如果确认是细菌污染,细胞娇贵不舍得丢掉的不要担心,我们已经为您准备好了相应对策。 细菌的克星-抗生素 货号 抗生素 作用对象 使用比例 储存条件 03-049-1B 卡那霉素溶液(10mg/ml) 细菌(如G+、G-、支原体) 稀释:1:100 -20ºC 03-035-1B 硫酸庆大霉素溶液(50 mg/ml) 细菌(如G+、G-、支原体) 稀释: 1:1000 AMB室温 03-031-1B 青链双抗 细菌(如G+、G-) 稀释: 1:100 -20ºC 03-031-5B 青链双抗,10浓缩液 细菌(如G+、G-) 稀释: 1:1000 -20ºC 03-032-1B 青链霉素,制霉菌素三抗 细菌(如G+、G-)、真菌(如:酵母菌、霉菌) 稀释: 1:100 -20ºC 03-033-1B 青链霉素,两性霉素B三抗 细菌(如G+、G-)、真菌(如:酵母菌、霉菌) 稀释: 1:100 -20ºC 03-034-1B 青链霉素,新霉素三抗 细菌(如G+、G-) 稀释: 1:100 -20ºC 真菌污染时会有类似棉花絮状的漂浮物,念珠菌会呈卵圆状,在细胞周边生长。 早期并不会使得培养基变黄变浑浊,但是在显微镜下可观察到菌丝体。真菌形成的菌丝呈丝状,管状,树枝状,串珠状。 真菌污染至少要三天后才能长出异常瑰丽的花纹图案。 酵母菌等,当其行出芽生殖时可通过一大一小的连体结构识别。 真菌污染整体特征是: 希望您的细胞不要也这样“好看”,不然只能留作欣赏用途了,或者可以尝试使用如下方法救治。 货号 抗生素 作用对象 使用比例 储存条件 03-029-1B 两性霉素B(2500 ug/ml) 真菌(如:酵母菌、霉菌) 稀释:1:1000 ~ 1: 10,000 -20ºC 03-030-1C 制霉菌素(10,000 units/ml) 真菌(如:酵母菌、霉菌) 稀释:1:100 to 1:1000 -20ºC 03-032-1B 青链霉素,制霉菌素三抗 细菌(如G+、G-)、真菌(如:酵母菌、霉菌) 稀释: 1:100 -20ºC 03-033-1B 青链霉素,两性霉素B三抗 细菌(如G+、G-)、真菌(如:酵母菌、霉菌) 稀释: 1:100 -20ºC 支原体广泛存在于人和动物体内,消毒不完全的器具也易带入支原体。污染时细胞培养基可能依然澄清或者呈微黄色,抽提核酸与蛋白时可有高达30~50%为支原体来源,造成结果偏差。那么支原体污染都有哪些明显特征呢? 也可使用支原体检测试剂盒进行检测: 该试剂盒可检测的14种支原体是:M.fermentans(发酵支原体), M.hyorhinis(猪鼻支原体), M.arginini(精氨酸支原体), M.Orale(口腔支原体), M.Salivarium(唾液支原体), M.hominis(人型支原体), M.pulmonis(肺支原体), M.arthritidis(关节炎支原体), M.bovis(牛支原体), M.pneumoniae(肺炎支原体), M.pirum(梨支原体)and M.capricolum(山羊支原体), as well as Acholeplasma(无胆甾原体)and Spiroplasmaspecies(螺原体)。 △电泳图谱电泳结果(图片来源:终端用户仅供参考) 支原体检测试剂盒的特异性: EZ-PCR支原体检测试剂盒(货号:20-700-20)。 引物与美国国家生物技术中心(NCBI)数据库进行比对,并检测16SrRNA靶区同源性。96种支原体具有相关序列同源性。 BIOMYC-1 货号:03-036-1B 主要成分:太妙菌素 BIOMYC-2 货号:03-037-1B 主要成分:Minocycline BIOMYC-3 货号:03-038-1B 主要成分:环丙沙星 方案一 BIOMYC-1(03-036)和BIOMYC-2(03-037)的使用方法: 方案二 BIOMYC-3(03-038)的使用方法: 经济考虑,用户选择一种方案即可;最佳方案是,客户先用方案一处理一周期,再用方案二处理一周期。 友情提示:如果使用其中一种方案,不能根除支原体,说明该支原体可能在另一种方案的抑菌谱内;36,37,38三者联合可有效根除实验室80%以上的支原体污染。 在细胞复苏或传代时往往会出现黑胶虫污染,并且与细胞呈现此消彼长的现象,但是培养基却并不浑浊。黑胶虫具有细胞毒性,可引起细胞生长迟缓或裂解凋亡。 目前科学界对黑胶虫的身份并无定论,Dr.Cell目前检测的黑胶虫样本,62%为细菌,38%为支原体。(→详情点击此处查看“黑胶虫通缉令”) BIOMYC-1 货号:03-036-1B 主要成分:太妙菌素 BIOMYC-2 货号:03-037-1B 主要成分:Minocycline BIOMYC-3 货号:03-038-1B 主要成分:环丙沙星 黑胶虫杀除方案一 BIOMYC-1(03-036)和BIOMYC-2(03-037)和三抗(03-033)的使用方法: 黑胶虫杀除方案二 BIOMYC-3(03-038)和三抗(03-033)的使用方法: 好啦,今天我们就分享到这里啦~下期我们会接着分享后续细胞形态异常分析的其他方面噢~ 了解详细信息可戳原文,转载请标明出处。
细胞是双极或多极的,狭长型,贴壁细胞。
呈多角形,尺寸更为规则,贴附在基质上呈散斑片状生长。
呈球形,通常悬浮生长,不贴附在基质表面。

















四、黑胶虫污染
黑胶虫较明显的污染特征:


BI 中国市场部:上海逍鹏生物科技有限公司
细胞形态异常剖析 Step1
作者:上海逍鹏生物科技有限公司 2021-09-07T11:17 (访问量:11311)
上海逍鹏生物科技有限公司 商家主页
地 址: 上海市奉贤区汇丰西路2082号9幢
联系人: 市场部
电 话: 021-58785545,18918495545
传 真: 021-58777053
Email:sales@xpbiomed.com
相关咨询
hPSC多能干细胞来源类器官培养Protocol (2023-08-25T00:00 浏览数:22009)
临床标准:Biolaminin助力细胞大规模生产 (暂无发布时间 浏览数:21786)
逍鹏讲堂 | FiberCell系统的基础认识 (2023-08-01T00:00 浏览数:22171)
【文献分享】Nat Commun | 裸鼠成瘤(CDX)模型的建立与应用 (暂无发布时间 浏览数:35630)
干货:一文了解细胞库检定! (2023-07-05T09:40 浏览数:27082)
构建动物肿瘤模型的“好帮手”—VitroGel(续集) (2023-06-20T09:54 浏览数:32227)
构建动物肿瘤模型的“好帮手”—VitroGel(续集) (2023-06-15T17:37 浏览数:20703)
618年中大促! (2023-06-14T13:36 浏览数:20182)
文献中的NTA粒径浓度图那么好看怎么做的?| 希尔博士来告诉你 (2023-05-29T10:58 浏览数:22626)
Biolaminin 521|从科研到临床的长情陪伴 (2023-05-23T14:17 浏览数:22273)
